
U1240框架式電磁鐵屬于微型推拉式電磁鐵,現量產的產品分推拉和拉式兩種,電磁鐵廠家根據客戶的使用情況量身推薦合適的產品。U1240的尺寸適中,價格在框架電磁鐵里面適中。
產品的性能優越,被廣泛使用于自動化設備、自動門鎖、安防設備以及家用電器中。具體介紹如下:
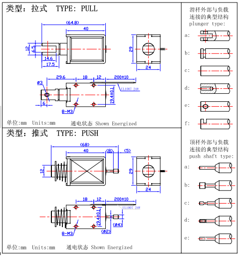
一、U1240框架式電磁鐵產品尺寸圖:

備注:上圖左邊部分有推式電磁鐵尺寸圖紙和拉式電磁鐵尺寸圖紙;右邊部分是廠家推薦中間活動桿,我們稱之為滑桿和頂桿樣式圖紙,這兩個零部件可以根據客戶的要求定制。
二、U1240框架式電磁鐵行程和力量曲線圖:

圖解:1,上圖描述的是框架式電磁鐵的行程和力量曲線圖
橫向:代表推拉式電磁鐵的行程 單位為毫米(mm)
縱向:代表推拉式電磁鐵在對應行程時的力量 單位為克(g)
2,圖中四條線分別代表四種功率以及相應的通電頻率
磁心科技電磁鐵廠家大批量生產推拉式電磁鐵U1240,電磁鐵廠家從產品零部件的加工工藝到制造工藝每個環節配置專門的品管監控,在保證產品品質的基礎上
提升生產效率、降低制造產品來滿足更多客戶的需求。

